KBHF GmbH

KBHF GmbH
Herrmann-von-Helmholtz-Platz 1
76344 Eggenstein-Leopoldshafen

https://www.kbhf.org

Aniceto Goraieb
Owner/Manager, Head of Laboratory
Tel.: +49 172 7222 703
Per Mail kontaktieren

Info

Aufbau von Experimentier- und Pilotanlagen auch in Handschuhboxen, falls erforderlich. Beratung, Projektierung und Durchführung von F&E Arbeiten im oben genannten Bereich. Näheres auch auf unserer Webseite FUSION FOR FUTURE

Zurück zur Karte

Überblick

Fusion-for-Future

Profil

Die Karlsruhe Beryllium Handling Facility ist ein SPIN-IN am KIT und eine privat organisierte Infrastruktur für die Handhabung von Blanket relevanten Materialien. Seit mehr als 30 Jahren unterstützt das Ingenieurbüro GVT und die Komplementärin KBHF GmbH die Forschung und Entwicklung am Karlsruher Institut Für Technology. Eine Kooperation mit dem Weltmarktführer MATERION in USA, sowie enge Zusammenarbeit mit ULBA (Kasachstan) und NGK bzw. QST (Japan) zeigen unsere Kompetenz.

Produkte

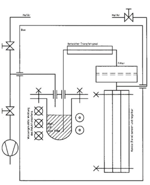
Handhabung von Extremmaterialien (toxisch, lungengängig, stark oxidierend, hygroskopisch) in Handschuhboxen unter Schutzgas. Hochsicherheitslabor für die Handhabung von Pulvern, wie zum Beispiel Beryllium und die Herstellung von Legierungen daraus. Heiß-isostatisch-Pressen, Sintern, Mischen, Mahlen, schneiden, Drahterodieren von größeren Labormengen (mehrere Kg). Untersuchen und Qualifizieren diese Materialien in Kooperation mit unseren Partnerinstituten am KIT.

Technologie

Der Focus liegt auf dem Festsoffblanket basierend auf Berylliumlegierungen und Lithiumkeramik, aber auch Molten-Salts wie FLiBe oder FLiNaBe sind möglich. Inzwischen sind wir auch Partner des KIT bei der Pilotproduktion der Materialien zur Treibstoff-Generierung (Tritium) eines Fusionsreaktors (Lithiumkeramik). Eigenes Industrieforum zu diesem Thema, siehe BeYOND|FUSION FOR FUTURE